产品描述
一、简介
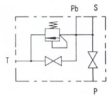
QFZ型蓄能器控制阀组由球式截止阀、直动式溢流阀及针形截止阀组成。球形截止阀为手动主开关阀,使蓄能器与液压系统间接通或断开;直动式溢流阀为案例阀;针形截止阀是卸压阀,其作用是,当球形截止阀关闭时,打开针形阀,使蓄能器卸压放油。
本系列蓄能器控制阀组主油口采用焊接式连接法兰。
二、型号说明

三、液压原理符号

四、外形尺寸


五、使用及订货注意事项
1、使用时必须把针形截止阀拧紧。
2、订货时应完整地写明型号的所有代号。例如:公称通径25mm,安全阀的调压范围16-31.5MPa,其型号是QFZ-Hd25F。
3、用文字无法表达清楚的特殊要求,请提供书面技术资料(如草图)。