中文版 | English

JZFS高压液压截止阀

JZFS高压液压截止阀

产品描述
一、简介
        JZFS高压液压截止阀主要用于液压管路或液压集成系统中,控制油液的流通或截止。其阀芯为锥面密封及液压平衡式,具有开启力小,密封性能好等特点。
        本系列截止阀体、阀芯、调节杆、手轮等组成,阀体采用钢质锻件表面进行镀镍处理,耐蚀性能优良。
        本系列截止阀有螺纹、法兰、板式等多种安装连接方式,便于选用。

二、型号说明




三、外形尺寸
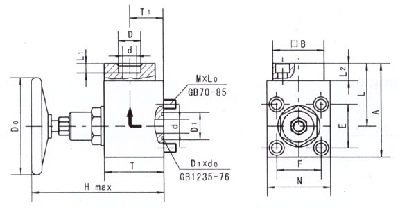
1、直通内螺纹

2、直角内螺纹

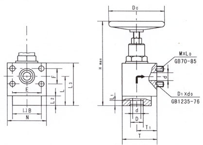
3、直角焊接法兰式截止阀


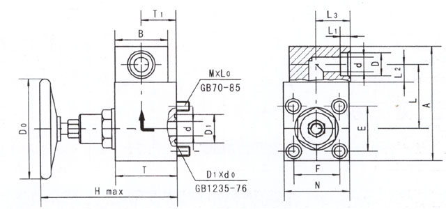
4、板式焊接法兰式截止阀


5、板式直角焊接法兰式截止阀


6、焊接法兰板式截止阀


7、直角法兰板式截止阀


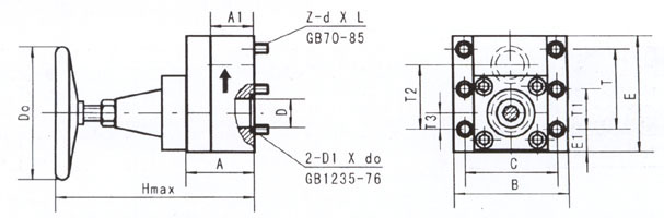
8、垂直板式截止阀(安装尺寸符合GB8100-87及ISO5781地规定)


9、水平板式截止阀(安装尺寸符合GB8100-87及ISO5781地规定)


10、仿日水平板式截止阀

注:1)板式阀的安装面必须精加工,其表面应达右边示图的要求。
        2)对于黑色金属材料的安装面,固定螺钉螺纹旋入深度为1.25D-1.5D(D为螺钉直径),螺钉孔深度应保证螺钉完全拧入。
        3)螺钉强度10.9级,需要者另外订货。

11、直通焊接法兰及螺纹方法兰


螺纹法兰

注:圆锥管螺纹法兰的,其他外形尺寸与公制细牙螺纹的相同,规格见“直通内螺纹”部分。

四、使用及订货注意事项
        1、本系列截止阀为座阀式结构,略加开启,过流面积就较大,节流效果差,故不推荐节流阀使用。本厂另有LF型节流阀,欢迎使用。
        2、本系列截止阀的连接方式、螺纹品种较多,订货时请务必完整写明型号的每个代号。
        例如:公称通径20mm,直通公制细牙螺纹的截止阀型号:JZFS-J20LTM
                    公称通径32mm,水平板式安装的截止阀型号:        JZFS-J32BⅡ
        3、如有特殊要求,请与本厂商洽,文字表达不清楚的,须提供局面技术资料(如草图)。

上一页
下一页
Home | About us | Product center | Technical support | Recruitment | Online message | Contact us


Copyright © 2011 www.careland.net All rights reserved. 版权所有:奉化凯力德机械制造有限公司   浙ICP备11065976号